科技改变生活 · 科技引领未来
防爆电控箱内部接线图都是根据客户要求执行的功能来设计的
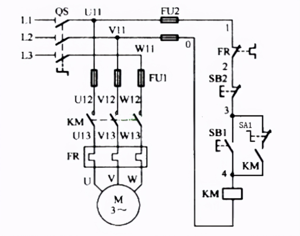
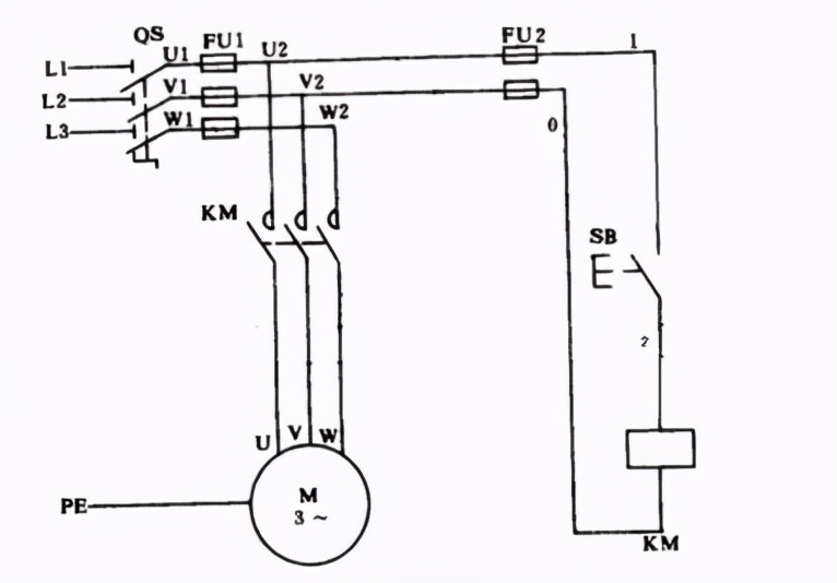
下面是电机启动停止2种控制原理接线图


BXM (D51)防爆电机控制配电箱
适用范围:
防爆电控箱适用于1、2区危险场所。和二类,ⅡB IIC气体环境。
防爆型电磁起动器分为可逆和不可逆两种。
产品特点:1>本防爆电控箱体外壳采用ZL102铝合金压铸或钢板焊接成型,表面高压静电喷涂,配不锈钢外露紧固件,外形美观。
该电路可根据需要自由组合,通用开关箱采用隔爆结构,母线箱和出料箱采用安全增加结构。交流接触器、热继电器、控制按钮或开关也可以在盒子表面或远程操作。也可以两边操作。
可根据客户要求定制,如增加浪涌保护器、电流表、电压表等。适用于多台电机的控制。每个支路都有断路器保护。
它还可以为照明或仪器提供电源。防爆型电磁起动器是一种应用广泛的电气元件,它可以控制交流50hz、380V(或220v)三相异步电动机的直接起动和停止,保护电动机的过载和断路。
了解更多
李同
